Agricolo
Motori elettrici DC per il settore agricolo: comfort e sicurezza in applicazioni agricole.

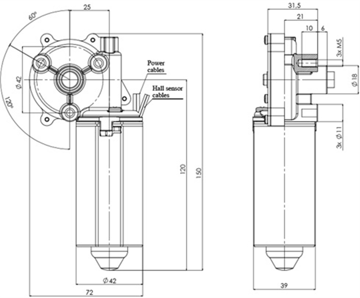
I motoriduttori GML42-25-Z1-H sono dotati di filtro antidisturbo e di circuito con uno o due sensori di Hall. L’albero del rotore ha una dentatura a un principio.
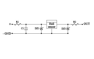
Il sensore di Hall fornisce un segnale che permette contare il numero di giri effettuati dal motore. Con due sensori di Hall è possibile determinare anche il verso di rotazione del motore elettrico.
Grazie al filtro antidisturbo, generalmente costituito da un circuito LC, i motori elettrici possono essere testati in conformità alle direttive EMC.
Nella scheda tecnica è possibile selezionare il perno di uscita del riduttore, il circuito con uno o due sensori di Hall e richiedere un particolare cablaggio, indicandolo nel form per le richieste.
Nella tabella “Dati elettrici” è indicato il range di tensioni di utilizzo e sono poi elencate le prestazioni per le tensioni più comunemente utilizzate, 12V e 24V.
La curva interattiva permette di scegliere le prestazioni richieste selezionando tensione di alimentazione e velocità a vuoto.
Motori elettrici DC per il settore agricolo: comfort e sicurezza in applicazioni agricole.
Macchine da caffè, yogurt, pasticceria, smielatori e spremiagrumi efficienti e produttivi.
Funzionalità e comfort negli ambienti domestici con poltrone e letti reclinabili.
Ottimizzazione dei processi automatizzati, sistemi di assemblaggio.
Soluzioni su misura per migliorare efficienza, produttività e automazione nei processi industriali.
Motori elettrici DC per il settore medicale: comfort e sicurezza in applicazioni medicali.
Motori elettrici DC per il settore nautico: comfort e sicurezza in applicazioni nautiche.
Ambienti di lavoro con scrivanie regolabili in altezza per comfort e produttività.
Motori elettrici DC per sistemi di apertura: comfort e sicurezza in applicazioni di automazione cancelli e serrande.
Macchine da caffè, yogurt, pasticceria, smielatori e spremiagrumi efficienti e produttivi.
| Standard nominal voltage | 12 V | 24 V |
| No load speed N0 [Rpm] | 30÷120 | 30÷120 |
| No load current I0 [A] | 0,50÷2 | 0,25÷1 |
| Nominal speed Nn [Rpm] | 26,20÷116 | 22÷112 |
| Nominal torque Mn [Nm] | 0,70 | 1,50 |
| Nominal current In [A] | 0,80÷3,20 | 0,60÷2,30 |
| Nominal power Pn [W] | 2,20÷8,50 | 3,50÷17,60 |
| Stall torque Ms [Nm] | 5,40÷22,20 | 5,40÷22,20 |
| Starting current Is [A] | 2,90÷41 | 1,45÷20,50 |
| Max power Pmax [W] | 4,40÷70 | 4,40÷70 |
| Max efficiency ηmax [%] | 24,40÷38,20 | 24,40÷38,20 |
| Gears materials | Plastica |
| Gear ratio | 1:62 |
| Type of duty | S3 ( dipende dai parametri di utilizzo ) |
| Weight [kg] | 0,65 |


