Agricolo
Motori elettrici DC per il settore agricolo: comfort e sicurezza in applicazioni agricole.

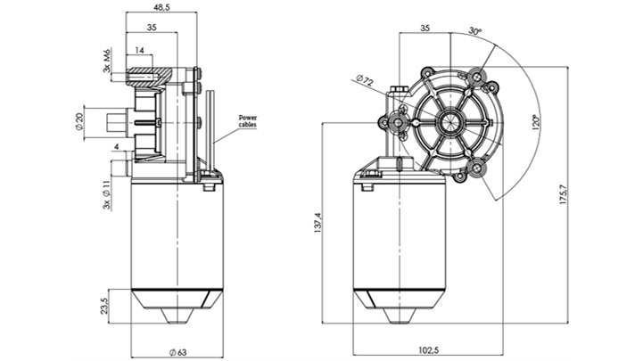
I motoriduttori GMR-63-35-Z4 sono dotati di filtro antidisturbo. L’albero del rotore ha una dentatura a quattro principi.
Il filtro antidisturbo, generalmente costituito da un circuito LC consente ai motori elettrici di essere testati in conformità alle direttive EMC.
Nella scheda tecnica è possibile selezionare il perno di uscita del riduttore e richiedere un particolare cablaggio, indicandolo nel form per le richieste.
Nella tabella “Dati elettrici” è indicato il range di tensioni di utilizzo e sono poi elencate le prestazioni per le tensioni più comunemente utilizzate, 12V e 24.
La curva interattiva permette di scegliere le prestazioni richieste selezionando tensione di alimentazione e velocità a vuoto.
Motori elettrici DC per il settore agricolo: comfort e sicurezza in applicazioni agricole.
Macchine da caffè, yogurt, pasticceria, smielatori e spremiagrumi efficienti e produttivi.
Funzionalità e comfort negli ambienti domestici con poltrone e letti reclinabili.
Ottimizzazione dei processi automatizzati, sistemi di assemblaggio.
Soluzioni su misura per migliorare efficienza, produttività e automazione nei processi industriali.
Motori elettrici DC per il settore medicale: comfort e sicurezza in applicazioni medicali.
Motori elettrici DC per il settore nautico: comfort e sicurezza in applicazioni nautiche.
Ambienti di lavoro con scrivanie regolabili in altezza per comfort e produttività.
Motori elettrici DC per sistemi di apertura: comfort e sicurezza in applicazioni di automazione cancelli e serrande.
Macchine da caffè, yogurt, pasticceria, smielatori e spremiagrumi efficienti e produttivi.
| Standard nominal voltage | 12 V | 24 V |
| No load speed N0 [Rpm] | 120÷370 | 120÷370 |
| No load current I0 [A] | 1,25÷3,90 | 0,63÷1,95 |
| Nominal speed Nn [Rpm] | 111÷361 | 111÷361 |
| Nominal torque Mn [Nm] | 0,50 | 0,50 |
| Nominal current In [A] | 1,90÷5,90 | 0,95÷2,85 |
| Nominal power Pn [W] | 5,80÷18,90 | 5,80÷18,90 |
| Stall torque Ms [Nm] | 6,70÷21,20 | 6,70÷21,20 |
| Starting current Is [A] | 10,20÷90 | 5,60÷45 |
| Max power Pmax [W] | 22÷207 | 22÷207 |
| Max efficiency ηmax [%] | 38,30÷52 | 38,30÷52 |
| Gears materials | Plastica |
| Gear ratio | 4:70 |
| Type of duty | S3 ( dipende dai parametri di utilizzo ) |
| Weight [kg] | 1,25 |

