Agricolo
Motori elettrici DC per il settore agricolo: comfort e sicurezza in applicazioni agricole.

I motori M-42-P-H sono motori elettrici dotati di filtro antidisturbo, circuito di Hall con uno o due sensori ed hanno prestazioni maggiori rispetto ai motori M-42, grazie al rotore e magneti più lunghi consentono di aumentare la coppia massima, migliorando quindi l’efficienza a carico.
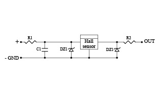
Il sensore di Hall fornisce un segnale che permette di contare in numero di giri effettuati dal motore. Con due sensori di Hall è possibile determinare anche il verso di rotazione del motore elettrico.
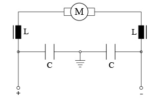
Il filtro antidisturbo, generalmente costituito da un circuito LC consente ai motori elettrici di essere testati in conformità alle direttive EMC.
Di seguito sono riportati i dati elettrici con le prestazioni di questa gamma per le tensioni più comunemente utilizzate, 12V e 24V.
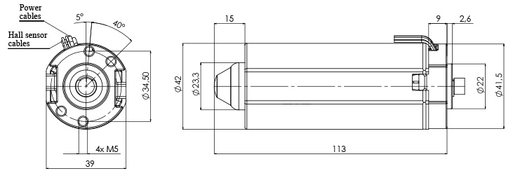
Inoltre sono presenti anche i dati meccanici e un disegno tecnico di un prodotto standard di questa gamma, in alternativa è possibile richiedere la quotazione con le modifiche desiderate dall’apposito form.
Motori elettrici DC per il settore agricolo: comfort e sicurezza in applicazioni agricole.
Macchine da caffè, yogurt, pasticceria, smielatori e spremiagrumi efficienti e produttivi.
Funzionalità e comfort negli ambienti domestici con poltrone e letti reclinabili.
Ottimizzazione dei processi automatizzati, sistemi di assemblaggio.
Soluzioni su misura per migliorare efficienza, produttività e automazione nei processi industriali.
Motori elettrici DC per il settore medicale: comfort e sicurezza in applicazioni medicali.
Motori elettrici DC per il settore nautico: comfort e sicurezza in applicazioni nautiche.
Ambienti di lavoro con scrivanie regolabili in altezza per comfort e produttività.
Motori elettrici DC per sistemi di apertura: comfort e sicurezza in applicazioni di automazione cancelli e serrande.
Macchine da caffè, yogurt, pasticceria, smielatori e spremiagrumi efficienti e produttivi.
| Standard nominal voltage | 12 V | 24 V |
| No load speed N0 [Rpm] | 1500÷8000 | 2500÷8000 |
| No load current I0 [A] | 0,6÷3 | 0,6÷2 |
| Nominal speed Nn [Rpm] | 1200÷7800 | 2200÷7600 |
| Nominal torque Mn [Nm] | 0,03 | 0,06 |
| Nominal current In [A] | 1÷4 | 1÷3 |
| Nominal power Pn [W] | 7,5÷25 | 7,5÷25 |
| Stall torque Ms [Nm] | 0,3÷0,7 | 0,33÷1,10 |
| Starting current Is [A] | 6÷60 | 3÷30 |
| Max power Pmax [W] | 18÷150 | 18÷180 |
| Max efficiency ηmax [%] | 50÷80 | 50÷80 |
| Gears materials | - |
| Gear ratio | - |
| Type of duty | S3 ( dipende dai parametri di utilizzo ) |
| Weight [kg] | 0,60 |


